深圳市精诚瑞数控设备有限公司
服务热线:400-926-7227
联系人:汤小姐
电话:18680306339 13590470641
传真:0755-33232348
邮箱:549346948@qq.com
网址:www.aldcdzhuzhou.com
地址:深圳市宝安区松岗镇碧头社区许屋路2号5栋
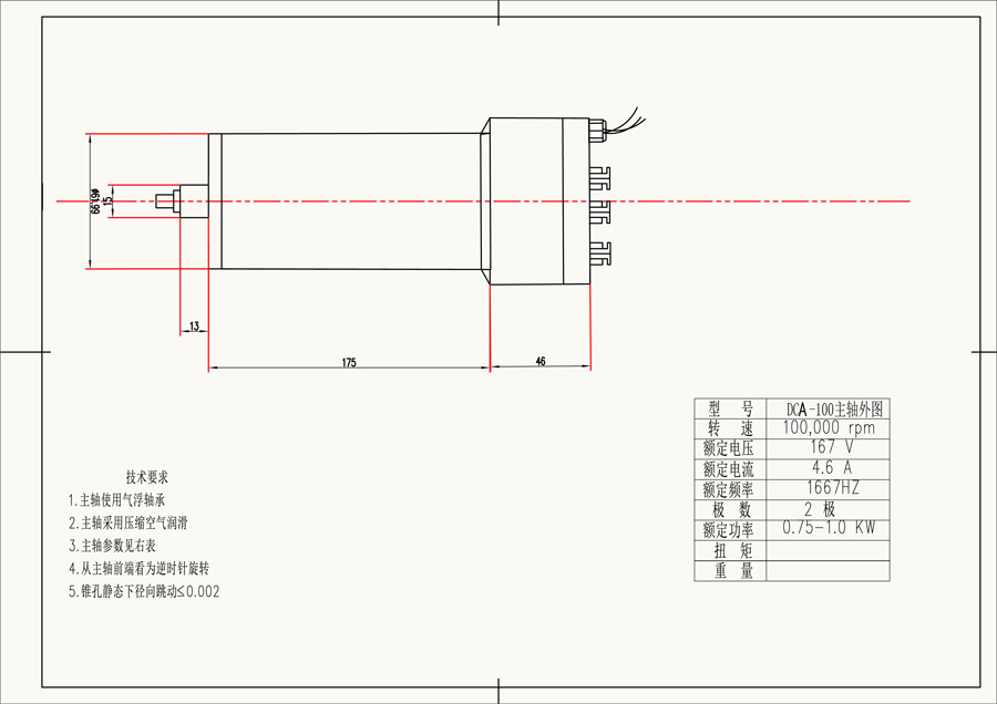
DCA-100
文章作者:handler 时间:2018-03-26 03-16-57


| 主轴型号 | DCA-100 | DCA-120 | DCA-160 | DCA-180 | 产品简介: 超高光气浮主轴系列是我司自研发、生产的一款高 精密、高转速气浮主轴。主轴应用于高光磨削加工。 |
| 转速(rpm) | 100000 | 120000 | 160000 | 180000 | |
| 频率(HZ) | 1667 | 2000 | 2667 | 3000 | |
| 电压(V) | 220 | 220 | 220 | 220 | |
| 电流(A) | 5.2 | 5.2 | 5 | 5 | |
| 最大功率(W) | 0.75 | 1 | 0.75 | 0.75 | 主轴特性: 本主轴主要部件均采用进口材料制作,碟片预紧结构,有效提高加工精度及稳定性,扭矩大、夹持力强,大大提高主轴加工刚性,换刀时前端吹气设计,有效保持夹咀清洁,保证夹持精度。 |
| 锥面跳动(um) | 1 | 1 | 1 | 1 | |
| 气缸工作气压(kgf/cm²) | 0.6-0.65 | 0.6-0.65 | 0.6-0.65 | 0.6-0.65 | |
| 夹头直径(mm) | ER11(1-6mm) | 3.175/4/6 | 3.175 | 3.175 | |
| 轴端静态偏摆(um) | ≤2 | ≤2 | ≤2 | ≤2 | |
| 轴端动态偏摆(um) | ≤8 | ≤5 | ≤5 | ≤5 | 一、本主轴使用基本条件: ① 自动换刀结构; ② 采用气浮轴承支撑; ① 压力稳定、干燥洁净的压力空气; ② 工业冷却设备,介质为水或油,达到主轴要求的流量; |
| 振动值(mm/s) | ≤0.6 | ≤0.6 | ≤0.6 | ≤0.6 | |
| 装配面直径(mm) | φ62 | φ62 | φ62 | φ62 | |
| 电机绕组耐压试验(v/min) | 1500nv/min | 1500nv/min | 1500nv/min | 1500nv/min | |
| 噪音值(dba) | ≤70 | ≤70 | ≤70 | ≤70 | |
| 主轴吹尘气压(kgf/cm²) | 3 | 5 | 5 | 5 | |
| 冷却形式及介质 | 内冷,纯水 | 内冷,纯水 | 内冷,纯水 | 内冷,纯水 | 保持水源清洁,定期更换水 |
| 润滑形式 | 空气 | 空气 | 空气 | 空气 | 摩擦小,转速高 |
| 冷却系统冷却液流量(L/min) | 水流量:≥2.5(水压0.2MPa) | 水流量:≥2.5(水压0.2MPa) | 水流量:≥2.5(水压0.2MPa) | 水流量:≥2.5(水压0.2MPa) | |
| 换刀方式 | 手动 | 手动/自动 | 手动 | 手动 |
推荐资讯
- 2018-03-25如何降低电主轴操作的失误率
- 2018-03-25电主轴三种控制方式的对比分析
- 2018-03-25电主轴高速旋转散热问题引关注
- 2018-03-25高速电主轴的两种冷却方式
- 2018-03-25高速电机轴承润滑脂的性能要求早知道
- 2018-03-25做好这几点电主轴的使用维护效果更佳
- 2018-03-25高速电主轴选购原则
- 2018-03-25如何处理减速机断轴问题?
- 2018-03-25雕刻机的电主轴功率怎么确定?
- 2018-03-25雕刻电主轴的使用注意事项

